

Bag filter is mainly used to filter impuritues in water,beverages and chemical liquids.Bag filter is mainly composed of three parts,filter housing,stainless steel basket and filter bag.
| Surface treatment: | Bright finish/sand blasting |
| Design pressure: | 1.0 MPa |
| Max. operating temperature: | 150 °C |
| Material: | SS304/SS316L |
| Connection: | Flange |



| Surface treatment: | Bright finish/sand blasting |
| Design pressure: | 1.0 MPa |
| Max. operating temperature: | 150 °C |
| Material: | SS304/SS316L |
| Connection: | Flange |



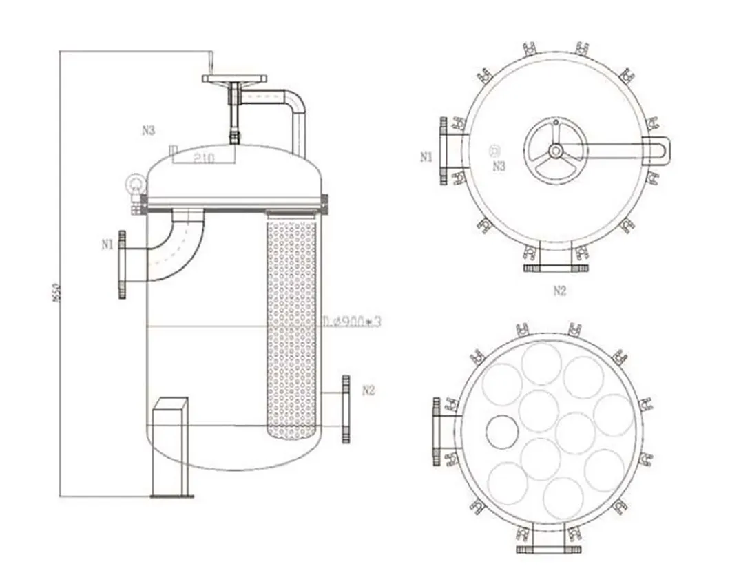
Qulck openlng Deslgn Of Rocker
Arm LIftlng RIng
Industrial production standards, thickened sealing flange ring, M16 high-strength lifting ring, rocker arm opening mechanism, easy
maintenance, low cost Cost-effective, widely used in industry and water treatment and filtration fields.

Core Of Bag Fllter System
The compression spring pressure piece can form a 360° seal with the filter bag. The thickened filter bag bearing flower plate can withstand higher pressure, reduce pressure loss, and improve the filtration effect. It can support 1-24 bags customization according to customer flow requirements.

Fllter Process Customlzatlon
According to the customer’s on-site filtration needs, the appearance size of the filter and the installation orientation and height of the water inlet and outlet can be customized.
Core Of Bag Fllter System
The compression spring pressure piece can form a 360° seal with the filter bag. The thickened filter bag bearing flower plate can withstand higher pressure, reduce pressure loss, and improve the filtration effect. It can support 1-24 bags customization according to customer flow requirements.


Hebei Ince Environmental Technology Co., Ltd is a professional factry is committed to R&D,design, produce and sales in the field of Products related to filtration field the main products: .
Liquid Filter Bags, High Flow Filter Cartridges, Pleated Filters Cartridge, Membrane Filter Cartridges, Melt Blown Filter Cartridges, String Wound Cartridges,ilter Housing, Activated Carbon Filters Cartridge etc..
Ince high-class filter cartridges are widely used in Pre RO/ID Water Filtration, Industrial Water Treatment, Chemicals & Solvents, Power Plant Water Treatment, Food & Beverage, Microelectronics, Petrochemical, Pharmaceuticals etc.






1.Samples orders usually within 3 days shipped by Courier (DHL, TNT, FEDEX, UPS, EMS and so on). .
2.Small quantity orders usually within 3-7 days shipped by air or by sea.
3.Large quantity orders usually within 7-15 days shipped by sea.
The main export port: SHENZHEN.
EMAIL: sales6@incefiltration.com
Mobile/WhatsApp: +86 138 0321 9803
TEL: +86 (311) 8968 1588
TIME: Monday-Friday 8:00am - 5:30pm (CST)